空気液化分離方法及び装置-プラント・エンジニアリング分野
不純物吸着機器を小型化し装置価格を低減(特許第5643491)
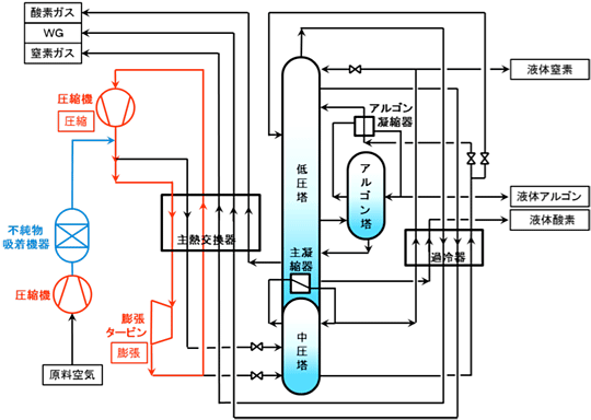
本特許は、空気の低温蒸留により、液体酸素の製造を主な目的とする空気分離方法および装置に関するものです。
本発明は、原料空気の全量を中圧塔の運転圧力よりも高い圧力に昇圧する事に特徴があります。
従来よりも高い圧力に昇圧された状態で、原料空気に含まれる水蒸気や二酸化炭素などの不純物を除去するので、不純物吸着機器およびその周辺の配管を小型にすることができます。
また、原料空気に含まれる水蒸気の分圧が相対的に低くなるので、水分吸着のための吸着剤の必要量を低減でき、吸着剤の再生に要するエネルギーを低減することができます。
これらにより、従来と同程度の消費動力で、装置価格等を低減することができます。

特長
- 空気液化分離装置の不純物吸着機器およびその周辺の配管を小型にすることができます。
- 空気液化分離装置の価格を低減することができます。
対象商品