空気分離における低純度酸素の製造方法及び装置
-プラント・エンジニアリング分野
消費電力を抑え、製品窒素ガス採取量を増加(特許第5878310号)
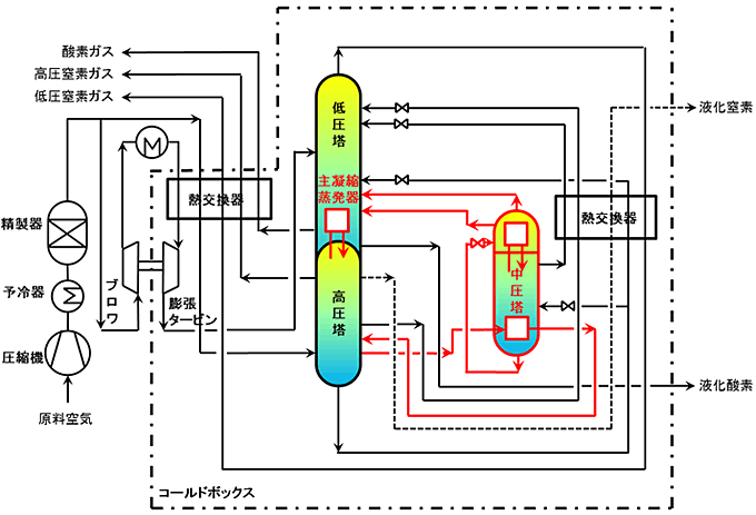
本特許は、空気の低温蒸留による低純度酸素ガスの製造を主な目的とする空気分離方法および装置に関するものです。
本発明を用いたプロセスは、高圧塔と低圧塔からなる一般的な複式蒸留塔と追加の中圧塔を用いて空気を低温蒸留分離する事に特徴があります。高圧塔で分離された酸素富化流体は、一旦、中圧塔に導入され、低温蒸留により酸素濃度が高められた流体が分離され、低圧塔の最適な個所に導入されます。これによって、低圧塔の蒸留条件が改善され、主凝縮蒸発器に供給すべき窒素ガス量を低減することが可能になるため、高圧窒素ガスの採取量を増加させることができます。本発明では、中圧塔下部に蒸化器を設置し、その加熱源として、高圧塔からの酸素濃度の高い流体を導入することを特徴としています。この特徴によって、酸素濃度がより高い流体を分離して、低圧塔に導入することが可能となり、低圧塔の蒸留条件が更に改善されています。
特長
- 中圧窒素ガスの製品採取量を増加できます。
- 原料空気圧縮機の消費電力を抑えることができます。
